在電機試驗的實際測量中,WP4000變頻功率分析儀遇到過基波有功功率大于總有功功率這種看上去違背常理的現象,這種現象的出現會引起我們對測量儀器準確性的質疑,為什么會出現這種現象,真的是WP4000變頻功率分析儀的測量有問題嗎?

圖1 電壓源型變頻調速系統(tǒng)原理圖

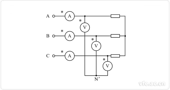
圖2三相三線制電功率測量時的SP系列變頻功率傳感器接線圖
圖1所示為脈寬調制(PWM)變頻器供電時感應電動機的運行和測量原理圖,圖中SP系列變頻功率傳感器接線圖采用圖2所示的虛擬中性點三瓦計法。
與
分別為電機的三相電壓和三相電流。根據有功功率的定義,在電機輸入端WP4000功率分析儀測量得到的總有功功率
為

將
與
分別做傅里葉分解,求得三相電壓的基波分量有效值分別為
與
,三相電流的基波分量有效值分別為
與
,基波電壓與基波電流的相角差分別為
與
,則電機輸入端的基波有功功率
為

在電機運行試驗過程中,有時出現了
的現象,電機試驗工程師或功率分析儀的使用人員根據能量守恒定律,就會懷疑是否是儀器測量結果有誤?
由于以SP變頻功率傳感器為核心的WP4000變頻功率分析儀是變頻電量測量儀器國家計量基準的原型,為全世界首臺變頻電量測量儀器國家基準(ATITAN變頻功率標準源)提供測量基準,其所有精度指標均可溯源,是目前最高帶寬和最高精度的變頻高電壓傳感器。故我們可以排除儀器的測量結果有誤這個觀點。
既然儀器的測量結果準確可信,那難道能量守恒定律錯了嗎?肯定不是。錯誤的根源在于應用能量守恒定律時,沒有考慮到感應電機在某些工況下應被看作是非線性負載,沒有全面準確分析變頻器和感應電機之間的能量流動。在本章的106問中,我們已經知道非線性負載消耗的諧波功率是負值,即式(4.80)中,
,故
。也就是說,對于非線性負載,基波功率總是大于平均功率的。這里要強調的是,基波功率大于平均功率的部分正是非線性負載向外電路輸出的諧波功率。

圖3變頻器與感應電機之間的能量流動
將感應電機看作是非線性負載,圖3給出了變頻器與感應電機之間的能量流動過程,其中
是變頻器提供給電機的基波有功功率,
是變頻器提供給電機的諧波有功功率,
是電機消耗的諧波有功功率。這里需要再次強調的是
來源于
和=,即
。功率分析儀測量得到的總有功功率
為

若出現
這種工況,則必有
,也就是說基波有功功率大于總有功功率了。